Produkty
Swing zpětný ventil
  • Swing zpětný ventilSwing zpětný ventil

Swing zpětný ventil

Jinqiu Valve vyrábí kvalitní zpětný ventil, automatický ventil známý také jako jednocestný ventil nebo zpětný ventil. Jeho funkcí je zabránit zpětnému toku média v potrubí a umožnit tak tekutině proudit jedním směrem. Účinně zabraňuje zpětnému toku (zpětnému toku), který může poškodit potrubní systém. Ventil otevírá nebo zavírá své otevírací a uzavírací komponenty průtokem a silou média, aby se zabránilo zpětnému toku média.
Jinquan Valve is a high-tech enterprise integrating valve product research, production, sales, and service. As an H44H and H44Y type PN16 ~ PN250 swing check valves supplier, our customized swing check valves are suitable for pressures of 1.6 ~ 25MPa, working temperatures of -29 ~ +550 ℃, and are applicable to pipeline conditions in the petroleum, chemical, pharmaceutical, fertilizer, power industries, and other environments. Applicable media include water, oil, steam, acidic media, and so on. We have been operating in the valve manufacturing field for over twenty years. With our experience, we have won high praise from the market for our reasonable prices, high quality, and attentive service.

1. Automatické otevírání a zavírání: Kyvný zpětný ventil se otevírá a zavírá automaticky na základě síly toku média. Když médium proudí v určeném směru, ventilový kotouč se otevře a ventil se otevře. Když médium přestane proudit nebo začne proudit zpět, talíř ventilu se uzavře vlastní vahou nebo silou pružiny a zabrání zpětnému proudění. Není vyžadován žádný ruční provoz, čímž se dosáhne automatického ovládání.
2. Spolehlivé těsnění: Těsnicí plochy kotouče ventilu a sedla jsou obvykle vyrobeny ze svařované slitiny na bázi železa nebo tvrdé slitiny na bázi kobaltu stellitu, která je odolná proti opotřebení, teplu, korozi a má dobrou odolnost proti poškrábání. To zajišťuje dlouhodobě stabilní těsnící účinek a účinně zabraňuje úniku média. 3. Volný průtokový kanál: Průtokový kanál je racionálně navržen, což má za následek nízký odpor kapaliny. Médium může hladce procházet zpětným ventilem, což snižuje tlakovou ztrátu a spotřebu energie.

Výkonové parametry

model H44H-16C~250 H44W-16P~250
Pracovní tlak (MPa) 1,6~25
správná teplota (℃) ≤425 ≤550
Vhodná média Voda, pára, olej Slabé korozivní médium
materiál Karoserie, kapota, disk Uhlíková ocel Chromnikl-titanová nerezová ocel
Těsnící plocha Povrchová úprava uhlíkové oceli slitiny na bázi železa Tělo utěsněno

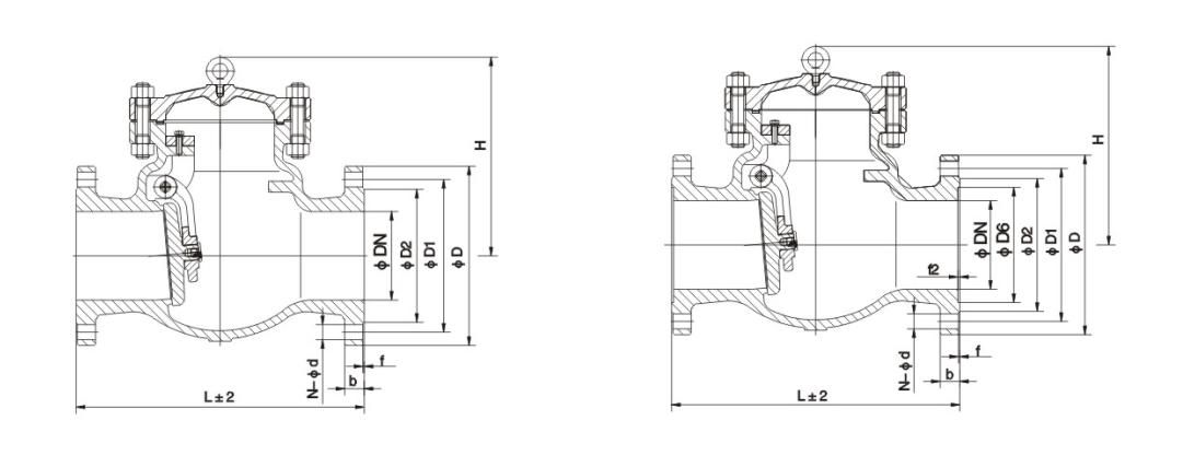
Hlavní tvar a připojovací rozměry

Jmenovitý průměrDN Hlavní rozměry a připojovací rozměry
L D D1 D2 b Z-d H
H44H-16C H44W-16C H44W-16P H44W-16R H44W-16I
25 160 115 85 65 16 4-14 100
32 180 135 100 78 16 4-18 105
40 200 145 100 85 16 4-18 115
50 230 160 125 100 16 4-18 135
65 290 180 145 120 18 4-18 142
80 310 195 160 135 20 8-18 165
100 350 215 180 155 20 8-18 180
125 400 245 210 185 22 8-18 210
150 480 280 240 210 24 8-23 233
200 500 335 295 265 26 12-23 304
250 550 405 355 320 30 12-25 348
300 650 460 410 375 30 12-25 390
350 750 520 470 435 34 16-25 430
400 850 580 525 485 36 16-30 468
H44H-25 H44W-25 H44W-25P H44W-25R H44W-25I
25 160 115 85 65 16 4-14 100
32 180 135 100 78 16 4-18 105
40 200 145 110 85 16 4-18 115
50 230 160 125 100 20 4-18 160
65 290 180 145 120 22 8-18 175
80 310 195 160 135 22 8-18 185
100 350 230 190 160 24 8-23 220
125 400 270 220 188 28 8-25 248
150 480 300 250 218 30 8-25 276
200 550 360 310 278 34 12-25 350
250 650 425 370 332 36 12-30 410
300 750 485 430 390 40 16-30 430
350 850 550 490 448 44 16-34 518
400 950 610 550 505 48 16-34 560

Obrázek struktury

Hot Tags: Swing zpětný ventil, Čína, přizpůsobený, kvalitní, odolný, pokročilý, výrobce, dodavatel, továrna, skladem
Odeslat dotaz
Kontaktní informace
  • Adresa

    č. 1, North 1st Road, Stainless Steel New Town, Lecong Steel World West Road, Shunde District, Foshan City, Guangdong Province, Čína

V případě dotazů na šoupátka, kulové ventily a zpětné ventily nebo ceník nám zanechte svůj e-mail a my se vám do 24 hodin ozveme.

X
Používáme cookies, abychom vám nabídli lepší zážitek z prohlížení, analyzovali návštěvnost webu a přizpůsobili obsah. Používáním tohoto webu souhlasíte s naším používáním souborů cookie. Zásady ochrany osobních údajů
Odmítnout Přijmout