Produkty
Kulový ventil z nerezové oceli
  • Kulový ventil z nerezové oceliKulový ventil z nerezové oceli

Kulový ventil z nerezové oceli

Odolný kulový ventil z nerezové oceli J41H, J41Y, J41W vyrobený společností JQF Valve. Jeho otevírací a uzavírací část je válcová ventilová klapka, těsnicí plocha je plochá nebo kuželová a klapka ventilu se pohybuje lineárně podél středové osy tekutiny. Nerezový uzavírací ventil je vhodný pouze pro úplné otevření a úplné uzavření. Obecně se nepoužívá k úpravě průtoku. Při přizpůsobení lze nastavit a přiškrtit.
Foshan Jinqiu Valve Co., LTD. je vysoce kvalitní výrobce kulových ventilů z nerezové oceli, který integruje design, vývoj, výrobu, prodej a servis. Mezi naše hlavní produkty patří různé regulační ventily, elektrické ventily, pneumatické ventily, solenoidové ventily, ruční ventily, pohony a příslušenství ventilů.
Náš kulový ventil z nerezové oceli je šoupátko s tělem z nerezové oceli, přírubovými spoji na obou koncích a konstrukcí šoupátka. Jeho hlavní funkcí je přesně regulovat průtok nebo spolehlivě uzavírat médium v ​​potrubí.
Díky své vynikající odolnosti proti korozi a spolehlivému těsnícímu výkonu se stal jedním z preferovaných ventilů pro korozivní média nebo aplikace s vysokou čistotou v chemickém, petrochemickém, potravinářském a farmaceutickém průmyslu.
Customers trust JQF valves' high quality, reliable performance, and good and comprehensive customer service. We will continue to innovate to provide first-class valve solutions.

1. Jednoduchá struktura: Konstrukce kulového ventilu z nerezové oceli je jednoduchá, takže výroba a údržba jsou pohodlné a efektivní.
2. Rychlá odezva: Krátký pracovní zdvih umožňuje extrémně rychlé otevírání a zavírání ventilu.
3. Odolné těsnění: Vynikající těsnicí účinek, minimální třecí odpor a dlouhá životnost.

Executive Standard

Specifikace designu: GB / T 12235
Délka konstrukce: GB / T 12221
Přírubové připojení: JB / T 79
Test a kontrola: JB / T 9002
Identifikace produktu: GB / T 12220
Specifikace dodávky: JB / T 7928

Výkonové parametry

model J41H-16C-160C J41Y-16C~160C J41W-16P~160P
Pracovní tlak (MPa) 1,6 až 16,0
správná teplota (℃) ≤425 ≤150
Vhodná média Voda, pára, olej Slabé korozivní médium
materiál Karoserie, kapota Uhlíková ocel Chromnikl-titanová nerezová ocel
Dřík ventilu Chromová nerezová ocel Chromnikl-titanová nerezová ocel
Těsnící plocha Nanášení slitin na bázi železa Návarová slitina Materiál těla
plnivo Azbestový grafit, pružný grafit, PTFE

Hlavní tvar a velikost připojení

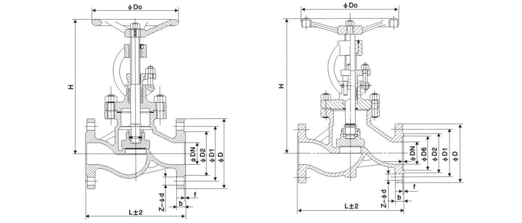
Jmenovitý průměr Hlavní rozměry a připojovací rozměry
L D D1 D2 b Z-d H D0
J41H-16C
15 130 95 65 45 14-2 4-Φ14 170 120
20 150 105 75 55 14-2 4-Φ14 190 140
25 160 115 85 65 14-2 4-Φ14 205 160
32 180 135 100 78 16-2 4-Φ18 270 180
40 200 145 110 85 16-3 4-Φ18 310 200
50 230 160 125 100 16-3 4-Φ18 358 240
65 290 180 145 120 18-3 4-Φ18 373 240
80 310 195 160 135 20-3 8-Φ18 435 280
100 350 215 180 155 20-3 8-Φ18 500 300
125 400 245 210 185 22-3 8-Φ18 614 320
150 480 280 240 210 24-3 8-Φ23 674 360
200 600 335 295 265 26-3 12-Φ23 811 400
250 650 405 355 320 30-3 12-Φ25 969 450
300 750 460 410 375 30-3 12-Φ25 1145 580
350 850 520 470 435 34-4 16-Φ25 1280 640
400 980 580 525 485 36-4 16-Φ30 1452 640
J41H-25C
15 130 95 65 45 16-2 4-Φ14 170 120
20 150 105 75 55 16-2 4-Φ14 190 140
25 160 115 85 65 16-2 4-Φ14 205 160
32 180 135 100 78 18-2 4-Φ18 270 180
40 200 145 110 85 18-3 4-Φ18 310 200
50 230 160 125 100 20-3 4-Φ18 358 240
65 290 180 145 120 22-3 8-Φ18 373 240
80 310 195 160 135 22-3 8-Φ18 435 280
100 350 230 190 160 24-3 8-Φ23 500 300
125 400 270 220 188 28-3 8-Φ25 614 320
150 480 300 250 218 30-3 8-Φ25 674 360
200 600 360 310 278 34-3 12-Φ25 811 400
250 650 425 370 332 36-3 12-Φ30 969 450
300 750 485 430 390 40-4 16-Φ30 1145 580
350 850 550 490 448 44-4 16-Φ34 1280 640
400 980 610 550 505 48-4 16-Φ34 1452 640

Obrázek struktury

Hot Tags: Kulový ventil z nerezové oceli, Čína, přizpůsobený, kvalitní, odolný, pokročilý, výrobce, dodavatel, továrna, skladem
Odeslat dotaz
Kontaktní informace
  • Adresa

    č. 1, North 1st Road, Stainless Steel New Town, Lecong Steel World West Road, Shunde District, Foshan City, Guangdong Province, Čína

V případě dotazů na šoupátka, kulové ventily a zpětné ventily nebo ceník nám zanechte svůj e-mail a my se vám do 24 hodin ozveme.

X
Používáme cookies, abychom vám nabídli lepší zážitek z prohlížení, analyzovali návštěvnost webu a přizpůsobili obsah. Používáním tohoto webu souhlasíte s naším používáním souborů cookie. Zásady ochrany osobních údajů
Odmítnout Přijmout