Produkty
GB standardní kulový ventil
  • GB standardní kulový ventilGB standardní kulový ventil

GB standardní kulový ventil

Vysoce kvalitní a přizpůsobené standardní kulové ventily GB J41H, J41Y a J41W typu GB vyrábí společnost JQF Valve, profesionální výrobce ventilů v Číně. Jejich otevírací a uzavírací částí jsou válcové ventilové kotouče a těsnicí plocha je buď plochá nebo kuželová. Kotouče ventilů se pohybují lineárně podél středové osy kapaliny. Standardní globální ventily GB jsou vhodné pouze pro plně otevřené nebo plně uzavřené aplikace a obecně se nepoužívají k regulaci průtoku, ale regulaci průtoku a škrcení lze provádět podle potřeb zákazníka.
Foshan Jinqiu Valve Co., Ltd. is a manufacturing factory integrating valve R&D, manufacturing, sales, and service. Our durable GB standard globe valves are specifically designed for oxygen pipelines, ensuring safe, stable, and efficient operation. Made from high-quality materials and undergoing rigorous degreasing and cleaning processes, these valves effectively prevent combustion risks and guarantee reliable sealing performance.

Standardní kulový ventil GB skladem je vhodný pro tlakové rozsahy PN1,6-PN16 a velikosti DN15-DN400, vždy se používají v metalurgii, chemickém průmyslu, medicinálních plynech a energetice.

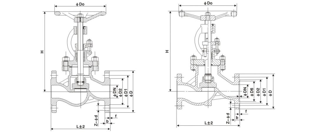
Strukturální vlastnosti

Neustále inovujeme a usilujeme o dokonalost, držíme krok s dobou s vysoce kvalitními globálními ventily standardu GB a vynikajícím zákaznickým servisem! Aktivně zavádíme moderní vybavení, podnikový management a personál technických služeb, snažíme se vybudovat vysoce kvalitní domácí a mezinárodní značku ventilů. Vítáme nové i staré zákazníky, kteří navštěvují a kontrolují naše zařízení, spolupracují pro vzájemný prospěch a společně vytvářejí lepší budoucnost!

Executive Standard

Specifikace designu: GB / T 12235
Délka konstrukce: GB / T 12221
Přírubové připojení: JB / T 79
Test a kontrola: JB / T 9002
Identifikace produktu: GB / T 12220
Specifikace dodávky: JB / T 7928

Vlastnosti

1. Zjednodušená a optimalizovaná struktura: Zjednodušený design zlepšuje efektivitu výroby komponent a efektivitu údržby zařízení o 30 %. 2. Okamžité ovládání otevírání a zavírání: Konstrukce mikrozdvihové struktury dosahuje rychlosti odezvy otevírání a zavírání 0,8 sekundy na cyklus. 3. Trvalý těsnící systém: Technologie samomazného těsnicího povrchu dosahuje ultra nízkého koeficientu tření; kompozitní těsnící vrstva má životnost proti stárnutí přesahující 50 000 cyklů otevření a zavření.

Výkonové parametry

model J41H-16C-160C J41Y-16C~160C J41W-16P~160P
Pracovní tlak (MPa) 1,6 až 16,0
správná teplota (℃) ≤425 ≤150
Vhodná média Voda, pára, olej Slabé korozivní médium
materiál Karoserie, kapota Uhlíková ocel Chromnikl-titanová nerezová ocel
Dřík ventilu Chromová nerezová ocel Chromnikl-titanová nerezová ocel
Těsnící plocha Nanášení slitin na bázi železa Návarová slitina Materiál těla
plnivo Azbestový grafit, pružný grafit, PTFE

Hlavní tvar a velikost připojení

Jmenovitý průměr Hlavní rozměry a připojovací rozměry
L D D1 D2 b Z-d H D0
J41H-16C
15 130 95 65 45 14-2 4-Φ14 170 120
20 150 105 75 55 14-2 4-Φ14 190 140
25 160 115 85 65 14-2 4-Φ14 205 160
32 180 135 100 78 16-2 4-Φ18 270 180
40 200 145 110 85 16-3 4-Φ18 310 200
50 230 160 125 100 16-3 4-Φ18 358 240
65 290 180 145 120 18-3 4-Φ18 373 240
80 310 195 160 135 20-3 8-Φ18 435 280
100 350 215 180 155 20-3 8-Φ18 500 300
125 400 245 210 185 22-3 8-Φ18 614 320
150 480 280 240 210 24-3 8-Φ23 674 360
200 600 335 295 265 26-3 12-Φ23 811 400
250 650 405 355 320 30-3 12-Φ25 969 450
300 750 460 410 375 30-3 12-Φ25 1145 580
350 850 520 470 435 34-4 16-Φ25 1280 640
400 980 580 525 485 36-4 16-Φ30 1452 640
J41H-25C
15 130 95 65 45 16-2 4-Φ14 170 120
20 150 105 75 55 16-2 4-Φ14 190 140
25 160 115 85 65 16-2 4-Φ14 205 160
32 180 135 100 78 18-2 4-Φ18 270 180
40 200 145 110 85 18-3 4-Φ18 310 200
50 230 160 125 100 20-3 4-Φ18 358 240
65 290 180 145 120 22-3 8-Φ18 373 240
80 310 195 160 135 22-3 8-Φ18 435 280
100 350 230 190 160 24-3 8-Φ23 500 300
125 400 270 220 188 28-3 8-Φ25 614 320
150 480 300 250 218 30-3 8-Φ25 674 360
200 600 360 310 278 34-3 12-Φ25 811 400
250 650 425 370 332 36-3 12-Φ30 969 450
300 750 485 430 390 40-4 16-Φ30 1145 580
350 850 550 490 448 44-4 16-Φ34 1280 640
400 980 610 550 505 48-4 16-Φ34 1452 640

Obrázek struktury

Hot Tags: Standardní kulový ventil GB, Čína, přizpůsobený, kvalitní, odolný, pokročilý, výrobce, dodavatel, továrna, skladem
Odeslat dotaz
Kontaktní informace
  • Adresa

    č. 1, North 1st Road, Stainless Steel New Town, Lecong Steel World West Road, Shunde District, Foshan City, Guangdong Province, Čína

V případě dotazů na šoupátka, kulové ventily a zpětné ventily nebo ceník nám zanechte svůj e-mail a my se vám do 24 hodin ozveme.

X
Používáme cookies, abychom vám nabídli lepší zážitek z prohlížení, analyzovali návštěvnost webu a přizpůsobili obsah. Používáním tohoto webu souhlasíte s naším používáním souborů cookie. Zásady ochrany osobních údajů
Odmítnout Přijmout